06.10.2025, 20:06
(04.10.2025, 11:57)Rennsemmel1 schrieb: Hallo - wieder ein Neues Projekt von mir und ich braue euer Wissen
Möchte mir für meine Twingo 2 e-spiegel ( beheizt sind die dann hoffentlich? ) nachrüsten.
Was benötige ich dafür? klar 2 Spiegel - dann die Schaltereinheit Verstellung in der Tür - dann habe ich mir den Kabelbaum für die linke Seite auf einer bekannten Webseite gekauft - benötige ich für die rechte Seite auch einen Kabelbaum ( was sicher fürs Anschließen schöner ist ) aber wenn ich da 80€ für den Kabelbaum zahlen muss. kann ich das nicht von links nach rechts notfalls mit Kabel machen? Wo bekomme ich die Original Kabel im Internet bestellt und was mir noch helfen würde- wo bekomme ich die PINS für die Türstecker her und welche Bezeichnung haben die?
Ja und dann habe ich noch die Altleiche im Keller liegen: die weißen Stecker für die vorderen Lautsprecher ( männchen und weibchen ) wo bekomme ich die? Und weiß einer zufällig die genaue Schaltplanbezeichnung für dieses Vorhaben?
So mal wieder Fragen über Fragen- wie immer Freue ich mich über Antworten!
Um auf deine Fragen einzugehen:
- Ja, du brauchst auch den Kabelbaum für die rechte Tür, und den in der Mitte. Meine Empfehlung: Schrotthof und von dort die Pins und Kabel ausschlachten. Ich hatte damals die rechten und linken Kabelbäume für je 40 € gebraucht gekauft und den mittleren kabelbaum selbst erstellt / ergänzt.
- Ich weiß nicht wo du die Original Kabel her bekommst (außer gebraucht oder vom Schrottthof). Ich habe FLRY Kabel (gibts bei Ebay, Amazon, etc....) in passenden Farben und Querschnitten (Siehe Schaltplan) gekauft. Ich hatte damals aber den Fehler gemacht, dass ich nicht wusste, wo im Schaltplan die Querschnitte stehen und daher maßlos überdimensioniert....Es macht kein Spaß 4 mm2 Kabel dort zu verlegen
Die Kabel die du brauchen wirst sind max. 1 mm2, eher 0,5 mm2
- Die Pins bekommst du leider nur vom Schrotthof ODER von Mouser. Leider mit extremen Lieferzeiten und 20 € Versandkosten für Artikel im Cent-Wert
Aber das wäre der Weg, den ich gegangen bin. Die Pins sind von Aptiv (ehemals Delphi) und gehören zur Sicma Reihe. Die kleinen Pins sind die Sicma 0.64. Dann gibt es noch die mittleren Sicma 1.5 und die großen Sicma 2.8, siehe Bild unten: (gibts alles bei Mouser)
![[Bild: twingo-06210052-Eb1.jpg]](https://pics.twingotuningforum.de/pics/2025/10/twingo-06210052-Eb1.jpg)
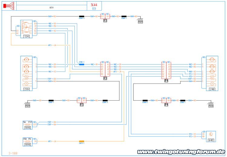
Schaltplan hier:
- Das ist die Variante inkl. Heizung:
![[Bild: twingo-06210322-ixc.jpg]](https://pics.twingotuningforum.de/pics/2025/10/twingo-06210322-ixc.jpg)
239 ist der linke und 240 der rechte Außenspiegel. Die Stecker R3 und R4 findest zwischen Tür und Karosse. Die 134 ist der Schalter (den du natürlich noch brauchst). Die 645 ist die UCH für den integrierten Temperatursensor im rechten Spiegel. Den hatte ich aber damals nicht angeschlossen. Funktioniert auch ohne
- Das gelb markierte Kabel zur Sicherung F6 habe ich mir mit Zusatzsicherungs-Abgreifer abgezweigt,da ich die Sicherung nicht hatte.
Was sagt eine überfahrene Tomate? "Passiert"



