Hallo zusammen,
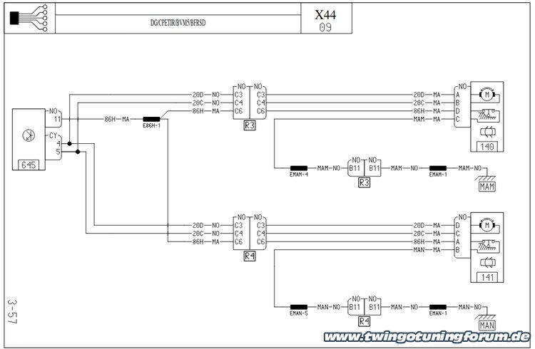
bei dem Renault Twingo 2 (3333 / AQU) meiner Freundin funktioniert die Zentralverriegelung der Fahrertür nicht mehr richtig.
Da das Verriegeln noch wie gewollt funktioniert und nur beim Öffnen dieser einen Tür ein Problem vorliegt, habe ich die Hoffnung, dass es ein lokales Problem in der Fahrertür ist. Ich habe schon mal nach Anleitungen zur Demontage der Türverkleidung geschaut, um am Wochenende einen Blick auf die Kabel etc. zu werfen, aber vorher Rat einzuholen, erscheint mir klug. Ich bin für jeden Tipp dankbar.
Wenn noch Informationen fehlen, reiche ich diese natürlich gern nach.
Viele Grüße
Simon
bei dem Renault Twingo 2 (3333 / AQU) meiner Freundin funktioniert die Zentralverriegelung der Fahrertür nicht mehr richtig.
- Beim Öffnen per Funk entriegeln sich alle Türen außer die Fahrertür.
- Beim Schließen per Funk werden alle Türen korrekt verriegelt.
- Mechanisch mit dem Schlüssel lässt sich die Fahrertür normal öffnen und schließen.
- Der Schalter der Zentralverriegelung im Innenraum verhält sich genau wie der Schlüssel (zu: ja, auf: nein)
Da das Verriegeln noch wie gewollt funktioniert und nur beim Öffnen dieser einen Tür ein Problem vorliegt, habe ich die Hoffnung, dass es ein lokales Problem in der Fahrertür ist. Ich habe schon mal nach Anleitungen zur Demontage der Türverkleidung geschaut, um am Wochenende einen Blick auf die Kabel etc. zu werfen, aber vorher Rat einzuholen, erscheint mir klug. Ich bin für jeden Tipp dankbar.
Wenn noch Informationen fehlen, reiche ich diese natürlich gern nach.
Viele Grüße
Simon



![[Bild: twingo-09211130-7S7.jpg]](https://pics.twingotuningforum.de/pics/2025/10/twingo-09211130-7S7.jpg)
![[Bild: twingo-09212709-9KI.jpg]](https://pics.twingotuningforum.de/pics/2025/10/twingo-09212709-9KI.jpg)