Autofans sind richtig bei AUTODOC
Themabewertung:
  • 0 Bewertung(en) - 0 im Durchschnitt
  • 1
  • 2
  • 3
  • 4
  • 5
Scheibenwischer geht nicht, UCH defekt?
#1
ZTwingo2 
Hallo zusammen,

ich bin neu hier im Forum und habe als Gast schon viel gelesen... Allerdings bin ich noch zu keinem Ergebniss gekommen und hoffe auf eure Hilfe!

Ich fahre einen Twingo Baujahr 2008 mit dem 1.6 55kw Motor. Mir ist während der Fahrt der Scheibenwischer in der oberen Endlage stehen geblieben. Nachdem ich den Wischer aus und wieder eingeschaltet habe, hat er noch genau einmal gewischt und ist wieder in der oberen Endlage stehen geblieben...

Ich habe bereits folgendes kontrolliert bzw. unternommen. In der Werkstatt wurde der Motor ausgetauscht, leider ohne Erfolg. Da sich in meiner Werkstatt aktuell keiner so wirklich mit der Elektrik auskennt haben sie mir empfohlen zu Renault zu gehen. Ich habe mich aber dank des Forums erstmal selber an das Problem gemacht.
Das Gestänge ist leichtgängig und lässt sich von Hand ohne bewegen. Ich habe den Motor ausgebaut und die Schleif- und Massekontakte gereinigt und etwas "aufgebogen". Danach habe ich den Motor an ein Netzteil angeschlossen und er funktioniert ohne Probleme. Am Stecker des Wischermotor messe ich zwischen Masse und dem dünnen Draht dauerhaft 12V. Beim verstellen des Lenkstockschalters kommt für ganz kurze Zeit ein Signal am Multimeter an, allerdings aufgrund der Trägheit nicht ablesbar was da ankommt. Ein Arbeitskollege hat darufhin den Fehlerspeicher ausgelesen und alle Fehler gelöscht... In dem Programm hat man auch gesehen dass der Lenkstockschalter schaltet, aber das Signal kommt scheinbar vorne nicht an. Wenn ich die Geschwindigkeit auf die höchste Stufe stelle hört man auch ein Klacken (ähnlich einem Relais). Bei den anderen beiden Stellung ist es ruhig. Dann habe ich als nächstes die UCH ausgebaut und geöffnet. Mit bloßem Auge und auch unterm Mikroskop sieht man keinerlei Beschädigungen oder kalte Lötstellen oder ähnliches... Es riecht auch nicht nach verschmorrter Elektronik oder so.
Ab diesem Punkt komme ich leider nicht weiter und hoffe das mir hier jemand noch weiterhelfen kann?! Ich muss auch dazu sagen das ich absoluter Laie auf dem Gebiet bin Smile
Angehängt noch zwei Fotos von der UCH...

Gruß
Nils

       
Zitieren
Es bedanken sich:
#2
Was immer du machst, denke daram dass die UCH die Wegfahrsperre beinhaltet.
Keine oder kaputte UCH, kein Fahren.
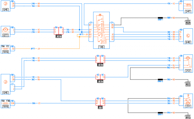
Gehe bitte in die Schaltpläne https://www.twingotuningforum.de/thread-...pid8747801

Ich hänge mal drei sehr ähnliche Bilder daraus an
645 ist die UCH, der Rest selbsterklärend.
Vom Wischerhebel kommt kein Impuls sondern Dauersignal.
[Bild: twingo-20104349-LNi.jpg]

[Bild: twingo-20104400-dHH.jpg]

[Bild: twingo-20104409-PcJ.jpg]


Angehängte Dateien Thumbnail(s)
           
Geteiltes Wissen ist doppeltes Wissen
Zitieren
Es bedanken sich: NiCro
#3
Vielen Dank für die Antwort.

Wie gesagt bin ich leider Laie auf dem Gebiet und kann nicht wirklich was mit den Plänen anfangen...
Das ein Dauersignal ankommen sollte hab ich mir auch gedacht, nur leider tut es dies nicht. Kann man das zb. durch austausch einer Komponente auf der Platine wieder ändern?
Zitieren
Es bedanken sich:
#4
Ohne Plan bleibt nur die Fachwerkstatt.
Ein bisschen Plan hat aber jeder der logisch denken kann.
Schau dir mal den Schalter 145 an.
Da geht Masse dran und abgesicherter Plus.
Ob die da ankommen musst du gar nicht messen, denn in die Waschstellung
wird die Waschpumpe 677 direkt versorgt.
Die Abgriffe für die UCH sind nur dafür da um der UCH zu sagen dass (nach)gewischt werden soll.
geht die Pumpe dann kommt Saft am Wischschalter an.
Raus geht der an A1 A2 A3
Vorsicht je nach Ausführung sind die Farben unterschiedlich.
Position geht IMMER! vor Farbe
A1 braun oder weiß, Intervall
A2 grün Stufe2
A3 grün oder weiß Stufe1

Der Wischermotor bekommt auf 1 Masse, sehr sehr wichtig, da gibt es beim Twingo1 auch schon mal Stress.
Auf Pin 2 sagt er der UCH ob er in Ruhelage ist oder nicht
Pin 4 ist der Schnellgang, Pin5 die Stufe1
Geteiltes Wissen ist doppeltes Wissen
Zitieren
Es bedanken sich: NiCro
#5
Den Massefehler kann ich glaube ich ausschließen, da ich auf PIN 1 und 2 12V gemessen habe.
Auf PIN 4 und 5 kommt leider nicht´s bzw. nur dieser ganz kurze Impuls (wenn dass überhaupt der Fall ist).
Kann ich dann davon ausgehen das die UCH deffekt ist? Weil im Diagnosegerät konnte ich ja sehen, dass Intervall, Stufe 1 und Stufe 2 angesteuert werden. Nur fehlt scheinbar der Output.
Zitieren
Es bedanken sich:
#6
Wenn auf Pin 1 und 2 12 Volt liegen liegt ein Massefehler vor.
Und zwar todsicher, vorausgesetzt du hast richtig gemessen.*
In Ruhe müssen da 0,0 Volt liegen, wenn der Motor läuft maximal 0,1-0,2 Volt.

*Immer DC messen, und zur Sicherheit gegen eine absolut sichere Masse die man auch mal mit einem Birnchen checkt.

Die Masse MAS ist hier, wird aber im Baum an der Stelle EMAS-1 verzweigt.
Die ist eingewickelt und so nicht zu finden.
[Bild: twingo-20133511-w7B.jpg]
Geteiltes Wissen ist doppeltes Wissen
Zitieren
Es bedanken sich: NiCro
#7
Jetzt bin ich überrascht Smile
Werde es nach der Arbeit nochmal nachmessen.
Nur zur Sicherheit... ich messe im Stecker der an den Motor angesteckt wird, aber ohne Motor dran? Anders geht es ja nicht, oder?
Zitieren
Es bedanken sich:
#8
Abgesteckt ist es o.K. dass auf Pin 2 12 Volt sind.
Die schickt die UCH hochohmig zu und ein Kurzschluss gegen Masse (ist keine knallbumm Kurzschluss sondern ein Signal) meldet der UCH dass der Wischer nicht in Endposition ist.
Pin 1 muss immer 0 Volt haben.
Liegen da 12 Volt dann werden auch andere Verbraucher derzeit NICHT funktionieren.
Was sonst noch an dieser Masse hängt:
Blinker links und bedingt Standlicht links teilen sich diese Masse.
Bei manchen Modellen auch der Scheinwerfer links, aber nicht bei allen.
Geteiltes Wissen ist doppeltes Wissen
Zitieren
Es bedanken sich: NiCro
#9
Es geht alles ausser dem Frontscheibenwischer.
Zitieren
Es bedanken sich:
#10
Ja, da heißt aber nichts.
Da kann auch EMAS-1 gammelig geworden sein.
Das kennen wir wenn die Batterieentlüftung nicht angeschlossen ist (bitte Bilder) und Säure in den Kabelbaum pisst.
Dann lösen sich die im Kabelbaum liegenden Verbinder auf, da allerdings vorzugsweise Plusverteilungen, aber genau an dem Ort.
Haben wir schon mehr als einmal gehabt.
Geteiltes Wissen ist doppeltes Wissen
Zitieren
Es bedanken sich: NiCro
#11
Bei 12 Volt an Pin 1 fehlt Masse.
Die kannst du ja mal vorsichtig, vorsichtig heißt hier über eine H4 Lampe, hin führen.
Die H4 Lampe ist eien Sicherung die nicht durchbrennt sondern nur aufleuchtet wenn du versehentlich an (geschaltete) 12V kommst.
Dann geht nichts kaputt, nur die Lampe brennt.

In der UCH können maximal die Relais kaputt gehen.
Haben wir aber noch nie gehabt, auch wenn irgendwann immer das erste Mal ist.
Geteiltes Wissen ist doppeltes Wissen
Zitieren
Es bedanken sich: NiCro
#12
Nochmals vielen Dank für deine Antworten!
Ich habe jetzt leider etwas den Faden verloren, wie ich sinnvoll weiter vorgehen soll.

Ich prüfe gegen eine sichere Masse die einzelnen Adern des Steckers am Wischermotor nochmal, oder?
Und mache Bilder von der Batterie?
Zitieren
Es bedanken sich:
#13
Bilder ja, ruhig mehrere und hiermit hochladen http://pics.twingotuningforum.de/
NICHT anhängen.
Denke daran, mit einer UCH aus einem anderen Auto fährt dein Auto nicht.

Zum Messen, bitte nochmal lesen.
Mir sind die ständigen Wiederholungen zu lästig, sorry.
Ganz kurz.
Wo Masse ist darf keine Spannung sein.
Man kann die da versuchsweise hin bringen, aber sicherheitshalber über eine starke Glühlampe.
Sollte die brennen ist da keine Masse sondern regulärer Plus.
Macht an das ohne Glühlampe und einen Fehler, dann "Pätsch", Sicherung durch.
Geteiltes Wissen ist doppeltes Wissen
Zitieren
Es bedanken sich: NiCro
#14
Mache ich nach der Arbeit!
Habe ich vollstes Verständniss für. Ich habe deine Antworten nur zu spät gesehn, während ich am schrieben war...

Ich melde mich nachher nochmal
Zitieren
Es bedanken sich:
#15
Also auf Pin 1 liegt keine Spannung an. Pin 2 hat 12V. Alles direkt gegen die Batterie gemessen.
Zitieren
Es bedanken sich:


Möglicherweise verwandte Themen…
Thema Verfasser Antworten Ansichten Letzter Beitrag
ZZTwingo1 Zweiten Funk-Autoschlüssel geht nicht MattSid 7 1.942 03.08.2025, 21:52
Letzter Beitrag: Broadcasttechniker
  Innenlicht geht nicht aus ?? Werni 1 786 15.06.2025, 16:06
Letzter Beitrag: Werni
  T1 2004 ZV - Fahrertür geht nicht zu sperren [gelöst] villus 1 921 23.05.2025, 20:57
Letzter Beitrag: Broadcasttechniker
  Heckscheibenwischer geht nicht mehr in Ruhestellung wodipo 3 1.676 03.03.2025, 11:51
Letzter Beitrag: wodipo
  Nebelschlussleuchte geht nicht mehr Matthy225 13 23.272 26.07.2024, 05:42
Letzter Beitrag: Eleske
  Anhänger Schlussleuchte geht nicht - ich werd irre. HansC06 18 13.945 29.10.2023, 07:55
Letzter Beitrag: HansC06
ZZTwingo1 Klimaanlage geht nicht 9eor9 36 48.950 26.07.2023, 18:52
Letzter Beitrag: 93274924
  Airbagleuchte geht nicht bei Deaktivierung Beifahrerairbag Twingo_beere 11 7.028 02.06.2023, 18:07
Letzter Beitrag: V320001

Gehe zu:


Benutzer, die gerade dieses Thema anschauen: 1 Gast/Gäste