08.10.2025, 17:10
Super
Dankeschön- die Teile-Verwerter wollen alle eine Nummer ansonsten geht da gar Nix

Elektrische Aussenspiegel nachrüsten
|
08.10.2025, 17:10
Super
![]()
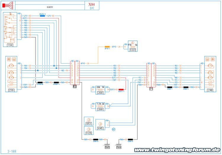
Wo wir schonmal beim Thema Außenspiegel sind. Mir ist grade im Schaltplan aufgefallen, dass die Außenspiegel 239 und 240 nicht voll belegt sind. Und zwar hatte mich das schon beim Nachrüsten verwundert. Der Stecker welcher zu den Spiegeln geht ist ein 12-poliger (2x6) Stecker. Davon sind am rechten Spiegel aber nur 7 und am linken Spiegel nur 5 Pins belegt, siehe Schaltplan. Nun das Kuriose. Im Schaltplan sieht mensch, dass die Spiegel noch andere Funktionen hätten....die aber gar nicht verbaut sind. Das weiß ich, weil ich die Spiegel schonmal zerlegt hatte. Da ist kein dritter Motor und auch kein Blinkerlicht
![]() ![]() Ich bin mir aber ziemlich sicher, dass Renault hier einen "standard"-Schaltplan genommen hat für andere Renault-Fahrzeuge, die solche Funktionen wie einklappbare Spiegel und Blinkerlicht in den Spiegeln haben. Nun meine Frage: Wüsste irgendwer ob es zum Twingo kompatible Renault Spiegel anderer Autos gäbe (ich weiß der Clio hat ähnliche Spiegel, bei dem die Spiegelabdeckung 1 zu 1 die gleiche ist wie die vom Facelift Twingo) die solche Funktionen haben und die mensch ggf. Frankensteinartig anbringen könnte? Ggf. Megane etc...?
Was sagt eine überfahrene Tomate? "Passiert"
![]()
Zum Vergleich: das hier ist der Schaltplan vom Megane II, welcher zwar noch kein Blinklicht dafür aber die elektrisch ein/ausklappbaren Spiegel hat:
![]() Wie ihr seht, alles sehr ähnlich, mit Ausnahme der zusätzlichen Motoren. Wäre es denkbar, dass mensch die Megane II Spiegel irgendwie (am Scharnier) auf die Twingo Spiegel-Scharniere setzen könnte? Allerdings ist es mir bisher nicht zerstörungsfrei gelungen den Spiegel vom Scharnier (dem Klapp-Gelenk) zu trennen. Vielleicht weiß da wer mehr? Edit: Die Außenspiegel vom Clio III sehen auch vielversprechend aus, da hier sogar bei den Facelift-Modellen die Spiegelabdeckungen kompatibel sind (jedoch nicht das Dreieck, welches an die Tür montiert wird)....und den gibt es auch elektrisch klappbar. Wenn mensch nun also "nur" den Spiegel aus dem Scharnier bekäme, wäre das ein guter Kandidat ![]()
Was sagt eine überfahrene Tomate? "Passiert"
![]() Es bedanken sich: Rennsemmel1
08.10.2025, 18:55
(Dieser Beitrag wurde zuletzt bearbeitet: 08.10.2025, 18:55 von Broadcasttechniker.)
Spiegel vom Klappgelenk trennen und wieder verbinden habe ich schon gemacht.
Und zwar an Citroen CX, Twingo1 und Avantime. Bei letzterem war der Spiegel elektrisch anklappbar, der gelieferte neue Ersatzspiegel aber nicht. Das war auch der Grund des Umbaus. In allen Fällen macht einen die Feder wahnsinnig. Man braucht zwingend eine Hilfskonstruktion um die Feder für die Montage zu komprimieren. Wenn ihr keine extra Schalter zum Anklappen haben wollt, es gibt Spiegelversteller bei denen sich der Knopf rechts/links auch ganz nach hinten drehen lässt. Dann klappen die Spiegel an. Beim Avantime war die Motor(Schutz)Elektronik im Spiegel untergebracht. Übrigens, laut Ersatzteiliste ist der Temperatursensor ein einzeln tauschbares Ersatzteil.
Geteiltes Wissen ist doppeltes Wissen
Es bedanken sich: TwinGoVegan
Wow, das klingt schonmal super. Von einer Feder weiß ich aber nichts, denke die wird dann im Knickgelenk drin sein? Fliegt einem die Entgegen, wenn mensch den demontiert? Ist das ähnlich gefährlich wie beim Federbein?
Kannst du beschreiben, wie du die auseinander bekommen hast? Die Schalter gibt es, da hast du Recht....und das bräuchte mensch dann natürlich auch statt des normalen Twingo Schalters....So einer hier zum Beispiel: Ebay Beispiel Spiegelschalter mit Klappfunktion Ich denke, der Sollte kompatibel sein, außer dass mensch 2 Kabel mehr verdrahten müsste?!
Was sagt eine überfahrene Tomate? "Passiert"
![]() Es bedanken sich: Rennsemmel1
08.10.2025, 19:20
Das Demontieren ist nicht so schlimm.
Klar geht da was fliegen. Das Montieren ist grausam. Wenn alle Kabel aus der Hohlachse raus sind kann man sich was basteln mit Schraube und einer Klaue ähnlich wie der Ventilfedermontage. Das Aufschieben des Sicherungsrings macht aber ebenfalls wenig Spaß.
Geteiltes Wissen ist doppeltes Wissen
Hast du zufällig Bilder wie und wo mensch da angreifen müsste? Mit reinem hebeln zwischen Spiegel und Spiegelhalter (dem Teil was an die Tür kommt) bin ich nicht weiter gekommen, ohne zu viel das Plastik zu verbiegen. Du schreibst etwas von einem Sicherungsring. Wo soll der denn sitzen? Und wie wäre der raus zu bekommen?
Was sagt eine überfahrene Tomate? "Passiert"
![]()
Gestern, 09:06
(Dieser Beitrag wurde zuletzt bearbeitet: Gestern, 10:43 von Broadcasttechniker.)
Beim AVI war das ungefähr so wie in diesem Video, nur hatte ich nicht den Platz für Kabelbinder um die Feder zu sichern.
Hier im Video ist es ein riesiger fetter Schieber der die Axialkraft aufnimmt, beim AVI war das nach meiner Erinnerung filigraner. In dem Betrag siehst du das Werkzeug welches man benötigt wenn die Basis nicht ausbaubar ist oder keinen Platz für Kabelbinder hat https://app.fabucar.de/beitraege/676badd...allroad-b8- Wurde auch hier selbst gebaut. Meins sah viel schlimmer aus, ich habe es auch noch, aber Fotos möchte ich mir sparen. Diese Konstruktion mit dem einmal Sicherungsring ist noch fieser, aber auch zu bewältigen https://www.motor-talk.de/bilder/federsp...19049.html Anekdote am Rande. Beim Citroen CX war die Hülse und der Sicherungsschieber aus Stahl und verrostet und musste ersetzt werden. Ich habe dann dafür ein eine Schraubhülse aus einem Lautstärkepotentiometer genommen und konnte den Kram halbwegs bequem zusammenschrauben.
Geteiltes Wissen ist doppeltes Wissen
Es bedanken sich: TwinGoVegan
Danke für deine Mühe. Leider bin ich irgendwie doch nochzu doof dazu. Das sieht beim Twingo II Spiegel etwas anders aus. Da wird vermutlich so eine fette Feder drin sein. Aber wo der Splint sein soll, ist mir ein Rätsel....
Was sagt eine überfahrene Tomate? "Passiert"
![]()
Gestern, 18:04
Kannst du den Spiegel mal genau fotografieren und die Bilder einstellen?
Beim Citroen CX Spiegel sitzt die Sicherung im Spiegelfuß https://www.kleinanzeigen.oldtimer-markt...93#gallery Lustigerweise bei der Metall Version eine Hohlschraube. Bei der Kunststoff Version war das etwas gestecktes und ich habe das Gewinde nachgerüstet https://www.cx-basis.de/mutter-fuer-spie...19252.html https://www.twingotuningforum.de/thread-28118.html
Geteiltes Wissen ist doppeltes Wissen
Das schaut für mich alles ganz anders aus bei deinen Spiegeln
![]() Hier mal ein paar Bilder des soweit ich konnte zerlegten Spiegels (nicht wundern....das sind die alten mechanisch verstellbaren....aber stell dir einfach vor, dass die Seilzüge elektrische Kabel wären). Ansonsten sind die identisch. Hier ein Blick von Oben auf das Knickgelenk: ![]() Dann noch von Vorne auf den Spiegel geblick: ![]() Und eine schräge Perspektive dazwischen: ![]() Hier noch von der Innenseite durch die Kabeldurchführung von "unten" geschaut ![]()
Was sagt eine überfahrene Tomate? "Passiert"
![]()
Gestern, 20:34
Lese mit großer Begeisterung eure Kommunikation
![]() So- ich habe mir heute eine Twingo RS-Tür mit Spiegel und Kabelbaum geholt so das ich die Fahrerseite perfekt habe, muss nur noch wegen der Beifahrerseite schauen.Nun mal an euch Profis die Frage: da ich jetzt von der linken Seite zwei Kabelbäume habe, kann ich da nicht einfach einen für die rechte Seite nehmen.Das würde mir einiges ersparen denn dann bräuchte ich nur noch den Spiegel für rechts oder bin ich da ganz,ganz weit weg vom Ziel.Elektrisch habe ich mir das ganze noch nicht angesehen.
Nein, du wirst den rechten Kabelbaum brauchen weil:
1. Der Stecker R4 ist spiegelverkehrt zum Stecker R3. Also der dicke fette Stecker welcher zwischen Tür und Karosse sitzt. Den Schlauch willst du nicht so weit umbiegen ![]() 2. Der Stecker, welcher an den rechten Fensterheber-Schalter kommt hat nur 6 Kontakte und ist ein anderer als der welcher auf der linken Seite verbaut ist (8 Kontakte, andere Bauart). 3. Vorsicht bei den Zentralverriegelungs-Steckern. Auch diese sind spiegelverkehrt (könnte mensch aber umpolen) Edit: Ich nehme das teilweise zurück. Vielleicht, könnte deine Idee doch gehen. und zwar sind die Stecker R3 und R4 doch nicht ganz so spiegelverkehrt wie ich dachte. Siehe Bilder von meinem alten Kabelbaum (Ohne Fensterheber und E-Spiegel). Aber der leichte Knick in dem Gummi-Schlauch nach dem Stecker R3 und R4 ist trotzdem da.....mit etwas Mut kann mensch das aber ggf. doch dem Gummischlauch zumuten. ![]() Und hier nochmal eine Nahaufnahme: ![]() Also doch nicht symmetrisch spiegelverkehrt, sondern "identisch" Bleibt natürlich noch das Problemchen mit dem fehlenden Stecker für den rechten Fensterheber-Knopf Edit 2: Wenn du die Temperaturanzeige haben möchtest fehlen dir im linken Kabelbaum die zwei Adern für den Temperatursensor, da der nur rechts im Spiegel verbaut ist. Wenn das aber egal ist und du eine Lösung für den Fensterheber-Knopf findet....wäre es ein Versuch Wert ![]()
Was sagt eine überfahrene Tomate? "Passiert"
![]() Es bedanken sich: Broadcasttechniker , handyfranky , Rennsemmel1
Ich habe in meinem Fotoarchiv noch ein Bild des rechten Kabelbaums gefunden, welchen ich eingebaut hatte. Da habe ich mal die Stecker gekennzeichnet. Nicht wundern
![]() ![]() Aber zu sehen ist der 6-polige Stecker, der eben im linken Kabelbaum fehlt. ![]()
Was sagt eine überfahrene Tomate? "Passiert"
![]() Es bedanken sich: Rennsemmel1
Gestern, 21:42
(Dieser Beitrag wurde zuletzt bearbeitet: Vor 10 Stunden von Broadcasttechniker.)
Zum Twingo Spiegelgelenk.
Das Rohr mit dem Teller der zwei Schlitze hat wird der Renkverschluss sein. Es ist durchaus möglich dass sich dieses Teil erst drehen lässt wenn man es zusätzlich eindrückt. Und dazu braucht es einiges an Kraft. Ich würde deswegen die Bowdenzüge zuerst entfernen und die Kompression durch eine Schraube mit U-Scheibe durchführen. Unten in den schlecht zugänglichen Teil ein steifes Blech mit Gewinde einführen.
Geteiltes Wissen ist doppeltes Wissen
|
|
Möglicherweise verwandte Themen… | |||||
Thema | Verfasser | Antworten | Ansichten | Letzter Beitrag | |
Elektrische Aussenspiegel nachrüsten?! | xsivelife | 4 | 1.153 |
05.10.2025, 11:23 Letzter Beitrag: Rennsemmel1 |
|
Elektrische Servolenkung auagefallen | xX1MarioHD1Xx | 1 | 1.145 |
11.07.2024, 21:42 Letzter Beitrag: Broadcasttechniker |
|
Elektrische Spiegel Twingo 1 und Lenkhilfe nachrüsten | Jason1577 | 1 | 3.032 |
21.05.2020, 12:41 Letzter Beitrag: Broadcasttechniker |
|
Aussenspiegel Nachrüsten | Sabahattin | 5 | 4.799 |
15.05.2019, 15:41 Letzter Beitrag: ogniwT |
|
Ist der Aussenspiegel 3004/1290076 beheizbar? | marko.70806 | 14 | 11.493 |
11.04.2019, 13:09 Letzter Beitrag: hti |
|
elektrische Spiegel nachrüsten??? | Twingo-Tigaaa | 25 | 36.182 |
12.07.2018, 16:18 Letzter Beitrag: MaKe |
|
Rätselhafte elektrische Phänomene beim C06 - HILFE! | twingotwongo | 7 | 8.553 |
06.10.2017, 12:44 Letzter Beitrag: black-devil |
|
WFS in verbindung mit andere Elektrische Fehler- | KEyQuest | 14 | 12.818 |
14.09.2017, 14:50 Letzter Beitrag: Broadcasttechniker |